




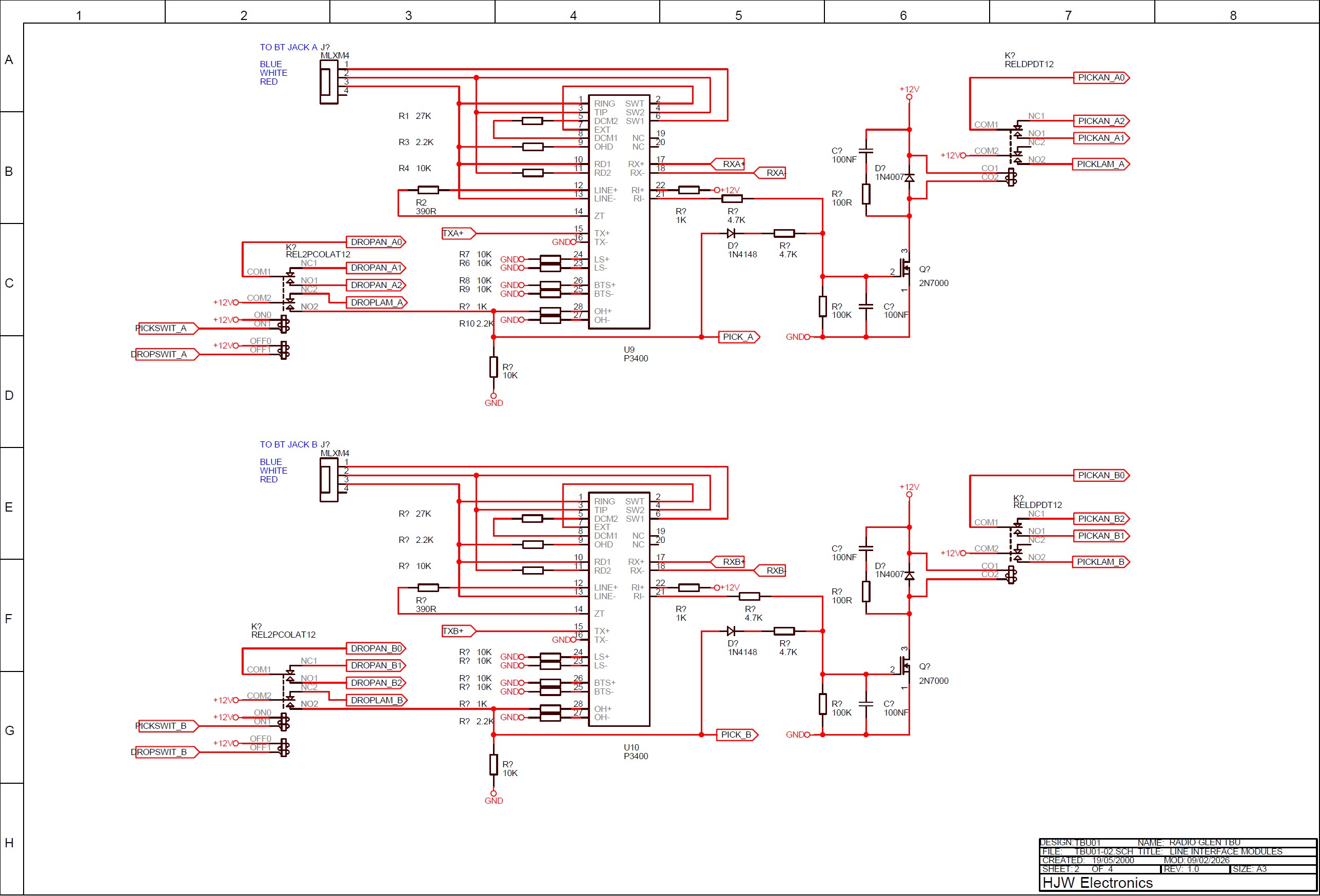
| Remote Connector Pin Assignments | |
| Pin | Function |
| 1 | line1 pick annunciator pole |
| 2 | line1 pick annunciator normally open |
| 3 | line1 pick annunciator nomally closed |
| 4 | line1 1 drop annunciator pole |
| 5 | line1 drop annunciator normally open |
| 6 | line1 drop annunciator normally closed |
| 7 | line1 remote pick switch (closing contact to GND) |
| 8 | line1 remote pick lamp (100mA max to GND) |
| 9 | line1 remote drop switch (closing contact to GND) |
| 10 | line1 remote drop lamp (100mA max to GND) |
| 11 | GND |
| 12 | GND |
| 13 | not connected |
| 14 | line 2 pick annunciator pole |
| 15 | line 2 pick annunciator normally open |
| 16 | line 2 pick annunciator nomally closed |
| 17 | line 2 drop annunciator pole |
| 18 | line 2 drop annunciator normally open |
| 19 | line 2 drop annunciator normally closed |
| 20 | line 2 remote pick switch (closing contact to GND) |
| 21 | line 2 remote pick lamp (100mA max to GND) |
| 22 | line 2 remote drop switch (closing contact to GND) |
| 23 | line 2 remote drop lamp (100mA max to GND) |
| 24 | GND |
| 25 | GND |



