Radio Glen Transmitter Information
Technical Data And History Of The X-Model Prototype
If you're enjoying these pages and you
have an interest in hobby type electronics or repair jobs, you
might like to visit my other website www.usefulcomponents.com,
where there are details of some good radio and other kits.

Preamble
The first part of this document was
current circa 1999. Things have moved on a great deal, and all
will become clear in later explanations. The first part reflects
the actual Word and printed document delivered to the station. The
modulator box was in service from about 1997 to 1999, the dual RF
power amplifier somewhat earlier.
Introduction, Copyright Notice And
Disclaimer
This document describes the
transmitter system supplied to Radio Glen for testing as designed
and constructed by Henry Walmsley.
The transmitter is supplied in prototype form and has the physical
limitations of an instrument constructed using prototyping
techniques. The transmitter has been designed to conform to the
Radio Authority and Wireless Telegraphy requirements but the user
must realise that this transmitter has not passed formal type
approval tests. The operating station licensee and the technical
manager bear the responsibilty of ensuring that the transmitter is
not used in such a way as to cause interference to other wireless
services or as to cause danger due to electrical shock or fire.
Due to the increased power output capability of the transmitter it
is especially essential that the signal distribution system is
maintained in good condition and checked regularly.
History
Over two years from 1991 to 1993 I was
technical manager of Radio Glen based at Glen Eyre Hall at
Southampton University. The original radio distribution system
based on a traditional RF induction system was still in use which
was originally installed around 1978. This used a low-level (about
2Vpp) AM radio signal sent along standard coaxial cable with 30V
DC. The small transmitter boxes in the attics and on the roofs of
the buildings would use the 30Vdc to amplify the signal and feed
it to a loop aerial of about 1m diameter. This gave enough
magnetic output to penetrate just down to the lower floors of most
of the buildings.
The problem with the system was one of maintenance and
inaccessibilty. Each of the small transmitter boxes had its own
parallel tuning capacitor and output level control. This meant
that if the level was set too high the transmitter would distort,
if it was too low the output would be poor. If any changes were
made to the system, then to ensure optimum performance, each and
every small transmitter would have to be readjusted for best
output. As some of the units are on top of four storey buildings
with no roof access I decided to change the active transmitters to
a passive system.
Based on measurements I made of the loss in the cable it seemed
that if you put a high level signal into the cable at the station
end there would still be plenty left 1km down the line to drive a
passive loop connected across the coax quite well. The problems of
setting levels and of transmitters breaking down on top of roofs
were eliminated. But one problem was that the power of the
transmitter that I built then was quite low, about 0.6W. This was
fine at the station end of the cable, but output was not so great
at the far end. (Though still generally better than the previous
system if the cable was intact.)
Also, the transmitter modulator used was the same unit from 1978.
Though it certainly worked, it was a basic affair which formed
part of the original Radio Glen third year project.
About 1995 the station moved from F block to the new station near
the old terraces. The same system was pressed into service with
the power amplifier of the transmitter staying in the F block
technical cupboard and the modulator moving to the new studio and
sending low level RF though the conduit back to reception and on
to F block.
I thought it was about time the ye-olde transmitter and PA were
replaced with something which sounded better and had more power to
drive the passive loops. Though the project to build this started
out as a replacement PA only, I got a bit enthusiastic and decided
to do a new modulator as well. The design brief that I set would
be that it would be as cheap as is humanly possible, as idiot
proof as possible, and built entirely from Maplin components for
easy replacement. The Maplin requirement fell by the wayside about
6 months into the design when it finally became clear that none of
the transistors Maplin stocked were capable of good RF output. In
the design as it stands, 90+% of the components are available from
Farnell components, with only the toroidal iron powder cores being
difficult to find in Britain. (They are easily ordered from the
USA however.) The use of a synthesised frequency generator
completely eliminates the traditionally difficult question of
where to find the crystal.
Present And Future Status
The original modulator has only the
obligatory audio hard limiter and low pass filter prior to the
actual modulator itself. Also this filter was set to the older
standard of 4.5kHz bandwidth limit. The current system may have an
Alice active limiter before the transmitter input, but that is the
limit of the audio processing. The new modulator unit has three
split bands of 2:1 audio compression followed by summation and a
stage of overall active limiting. A hard limiter follows to cope
with transient peaks and the resultant signal is low-pass filtered
prior to the modulator. This should result in a great increase in
perceived quality and loudness, as well as being vitually
bombproofed against the most enthusiastic student presenter. The
modulator and PA are in separate 19inch boxes so that the current
division between studio and remote technical cupboard can be
maintained. The PA has two outputs both capable of providing 10
Watts AM into the 50ohm system, and both RF input and output on
the PA are isolated from the mains earth to avoid mains earth
contention, and the kilometer wide earth loops currently endured.
Into The 21st Century - Friday
29th November 2002
Well, the induction system is long
since gone thanks to Wiggy's sterling efforts back in 1999 to get
the low power free radiating license and a real transmitter. Wow,
a real transmitter and aerial system from Radica, Luxury! For a
while I thought that I would modify these units so that if the
real transmitter failed or was reposessed, they could hook this up
to the proper aerial and run on reduced power. I went as far as
changing the frequency output of the modulator box and checking
that the output from there would pass broadcast specs, which it
would just about with the bit more audio filtering that I added.
The PA was a different matter though. I'm not an RF engineer by
training or at heart and the PA was simply not linear enough. I
wasn't going to start building a new linear PA or making a high
level modulated version so that project bit the dust. The old PA
TX01 was scrapped, but the modulator still exists and I use it's
meagre 2Vpp 50Ohm output sometimes for nostalgic 1287AM
broadcasting around the house. Strictly speaking I suppose Radio
Glen still own it. If their Radica setup breaks and they can't
afford to get it fixed, you could probably use this modulator with
a bit of a linear booster to drive a modified 160m band amateur
radio linear amplifier. In practice, you proably wouldn't bother.
I've put the design up on this site as an example of how to do
some nice simple low cost and highly effective split band audio
compression, and also how to make a nice simple frequency
synthesiser to avoid using crystals. Turn the split band
compressor into a five band version and you would have some
seriously good sounding AM processing. The three band version is a
bit light on the bass and treble. I wonder if I can find some old
recordings? I suspect so... The schematics show the modified
version which has an extra couple of poles of audio filtering
bolted on and will just about pass broadcast specs.
Readers interested in AM audio processing and compensation for
transmitter properties should read the technical manuals for the
Orban Optimod series of processors whose basic principles are
copied for this project in simplified form. SURGE have recently
acquired a 9100B processor. Orban Optimod Technical Manuals For
The 9100B AM Processor
Modulator Unit Technical
Specification
Power: 240V mains
Audio Input: Stereo standard line level 0dbm 775mVrms on XLR
sockets balanced input.
Indicators: Mains neon, 5V rail LED, 22V rail LED, crystal oven
heater LED
Controls: Mains on/off rotary switch
Frequency Ref: Ovened crystal driving PLL frequency divider
Ouput frequency: Supplied as 1602kHz +/- 2Hz for University Radio
Glen.
(now modified to 1287kHz)
RF output level: Approx 2Vpp with 80% modulated AM signal
Output connector: Female BNC
Case: Standard 19” rack mount ?U
Mod bandwidth: -3dB at 6kHz from carrier, -40dB at 9kHz as
required by WT regs.
Modulation limiting: Will not exceed 100% modulation with
transient +10dBm 1kHz tone burst.
PA
Unit Technical Specification
Power: 240V mains
Input: Variable 0.5 to 2Vpp with 80% modulated AM signal
Indicators: Mains neon, 30V rail LED, Unregulated supply LED.
Controls: Dual on/off for each section. Dual input attenuators for
each section.
Ouput: 10W AM into 50 ohms from each section.
Input connectors: Female BNC
Output connectors: Female BNC
Input impedance: Approx 1kohm each section
Ouput Impedance: 50ohm
Output harmonics: 40dB down on the main carrier as required by WT
regs
Modulator Schematics
The schematics reflect the circuit
very closely. However there are no component references and
occasionally you may be able to find a value on the schematic
which is not correct according to the prototype. Also the op-amp
sections and hence pin numbers will not match. The schematics are
drawn using Windraft from IVEX design.
Modulator Unit Circuit Description
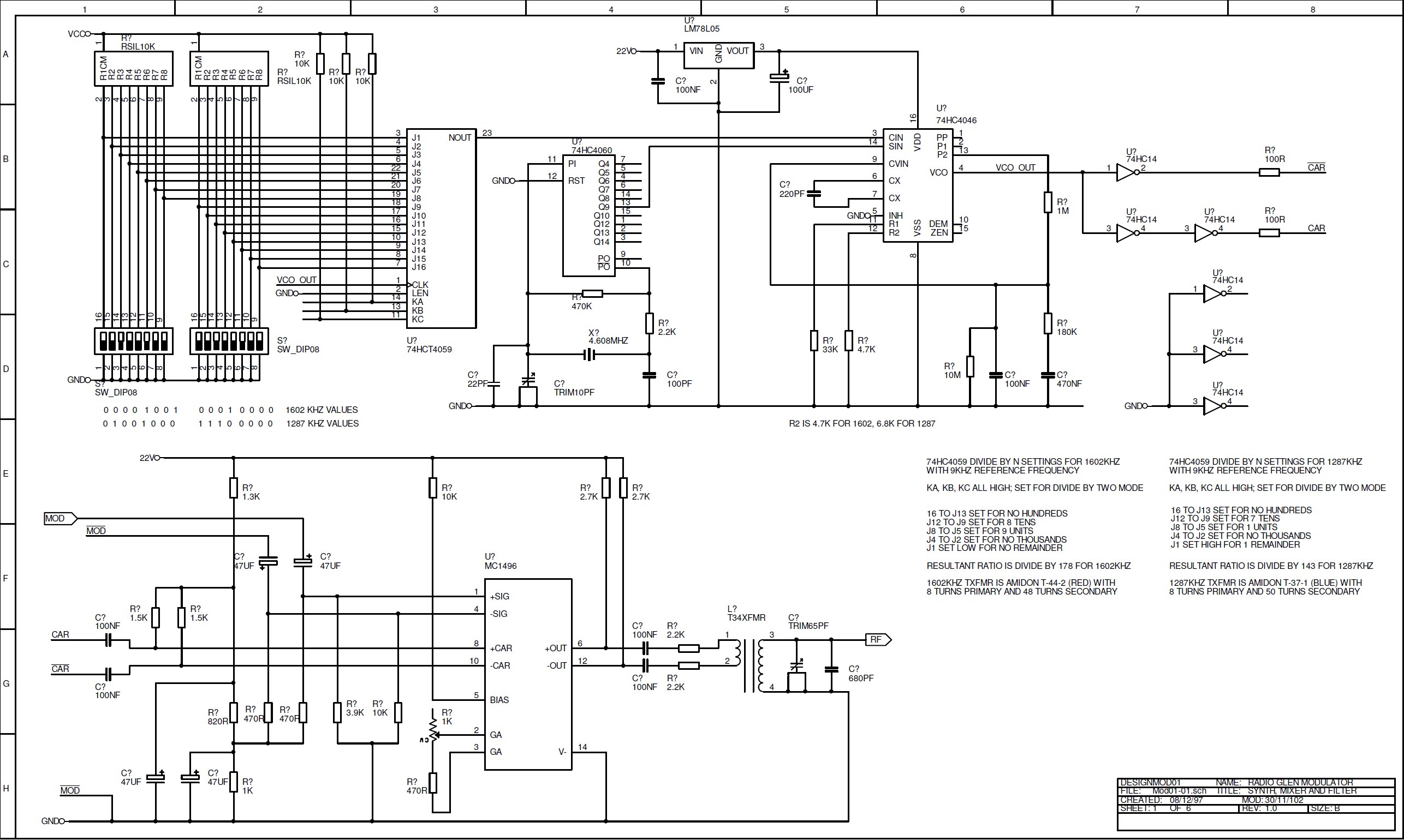
Inexpensive AM Radio Broadcast
Transmitter Frequency Source MOD01-01.SCH

This sheet shows the frequency synthesiser and modulator. The
74HC4060 uses a cheap 4.608MHz crystal to develop the 9kHz
reference required for the VCO. The internationally agreed channel
spacing in Europe on MW is 9kHz so all other frequencies are
available by fairly simple circuit changes. The exact frequency of
the output should be adjusted with the 10pF trimmer only when the
circuit is fully warmed up and the crystal oven is operating
normally. It is sufficient to adjust this by measuring the final
output of the system at 1602kHz. The signal should be 1602kHz +/-
2Hz, so a frequency counter with seven or more digits is needed.
The 74HC4046 has a centre operating frequency of approximately
1602kHz and a range of about 200kHz above and below this. Output
from the VCO is divided by 178 in the 74HC4059 to form the
comparison signal to feed into the phase comparator with the
reference signal. If a frequency other than 1602kHz is required,
this can be obtained by changing the setting of the divider. If a
large change of frequency is required (e.g. for use on 963 or
999kHz) the loop filter and VCO free running components will also
have to be changed. The values for all the resistors and
capacitors of the VCO and reference oscillator can be found in the
National Semiconductor or Philips HCMOS databooks. The only
unusual component is the 100nF capacitor filtering pin 9 of the
VCO. This reduces 9kHz phase noise on the output signal. (audible
when tuned just off centre of the signal with an AM radio). The
10M resistor reduces phase noise also, though the mechanism by
which this is happening is not fully understood. A better loop
filter than the simple one used here is proposed for the next
design iteration, using a 2 pole active filter rather than the
100nF capacitor, with the other filter components being similar.
Schmitt triggers buffer the signal output and form an inverse of
it. The true and inverse 1602kHz square waves are fed into the
carrier inputs of the MC1496 modulator. The use of the true and
inverted signals operates the modulator in a differential
saturated mode. (See the Motorola or National Semiconductor data
books) This avoids the need for special balancing components and a
constant amplitude carrier signal source. The 1k pot on pins 2 and
3 on the modulator is the only gain control in the RF section.
This sets the RF output level ultimately delivered to the PA via
the coaxial cable. The tuned transformer acts as a filter removing
the higher order harmonics from the signal. This should be peaked
for maximum output. Unbalanced audio is fed into the modulator. As
the desired output signal is AM, not SSB or DSB, exact balancing
is not important. The amount of residual carrier fed through with
no audio is set by the ratio of the two resistors on pins 1 and 4
of the modulator. The stability of the modulator and these
resistors is important as they effectively set the audio
sensitivity of the modulator. Care must be taken to avoid noise
and voltage dips on the 5V line as the VCO is sensitive to supply
line changes. To this end, a separate 5V regulator has been
included for the VCO alone, run from the 22V regulated rail.
Crystal Oven And Power Supply MOD01-02.SCH

The PSU is straightforward and is covered adequately in the
National Semiconductor regulator databook. The crystal oven heater
control circuit uses an LM393 comparator and a Philips NTC
thermistor. Points worth noting are the thermistor which is glued
onto the top of the crystal with epoxy and the 120R heater
resistors which surround the crystal on two sides and are also
glued to it. The circuit has hysteresis provided by the comparator
itself and the 2.2M feedback. This means that the BD139 operates
in saturated mode except when switching, and the whole system is
"stable", in so much as it is guaranteed to oscillate about the
temperature set point reliably. Supply line glitches are minimised
by the 47uF capacitor on the base of the BD139 slowing down the
transistor switching time. Even so, a separate supply line and
ground return direct to the regulator must be used for the heater
current so that the VCO is not disturbed when the heater switches
on and off. This is not shown schematically. Though not intended
to be a deeply precision circuit, this should be sufficient to
keep the crystal at an approximate elevated temperature of 30 or
40 degrees C, in order to ensure that the output is kept to
+/-2Hz. The 10K pot on the inverting input sets the temperature
which ought to be set with a thermocouple or similar attached to
the crystal. In practice, I would set it such that the heater
comes on with about a 10% duty cycle at room temperature. The RF
output stage currently uses a Nat Semi LM6361 shown. The output
biasing diodes are glued to the metal transistor cases. The 2.2pF
feedback resistor rolls off the output at frequencies much above
2MHz. This driver can give the required 2Vpp into 50R even with
the 47R series output resistor. This resistor ensures that the
output impedance is close to 50R and should avoid problems even if
the cable to the PA is badly terminated. The 4.7K resistor on the
RF line should not be any higher than this value or else the
transformer on sheet MOD01-01.SCH exhibits too high a Q value and
starts to filter out the AM sidebands.
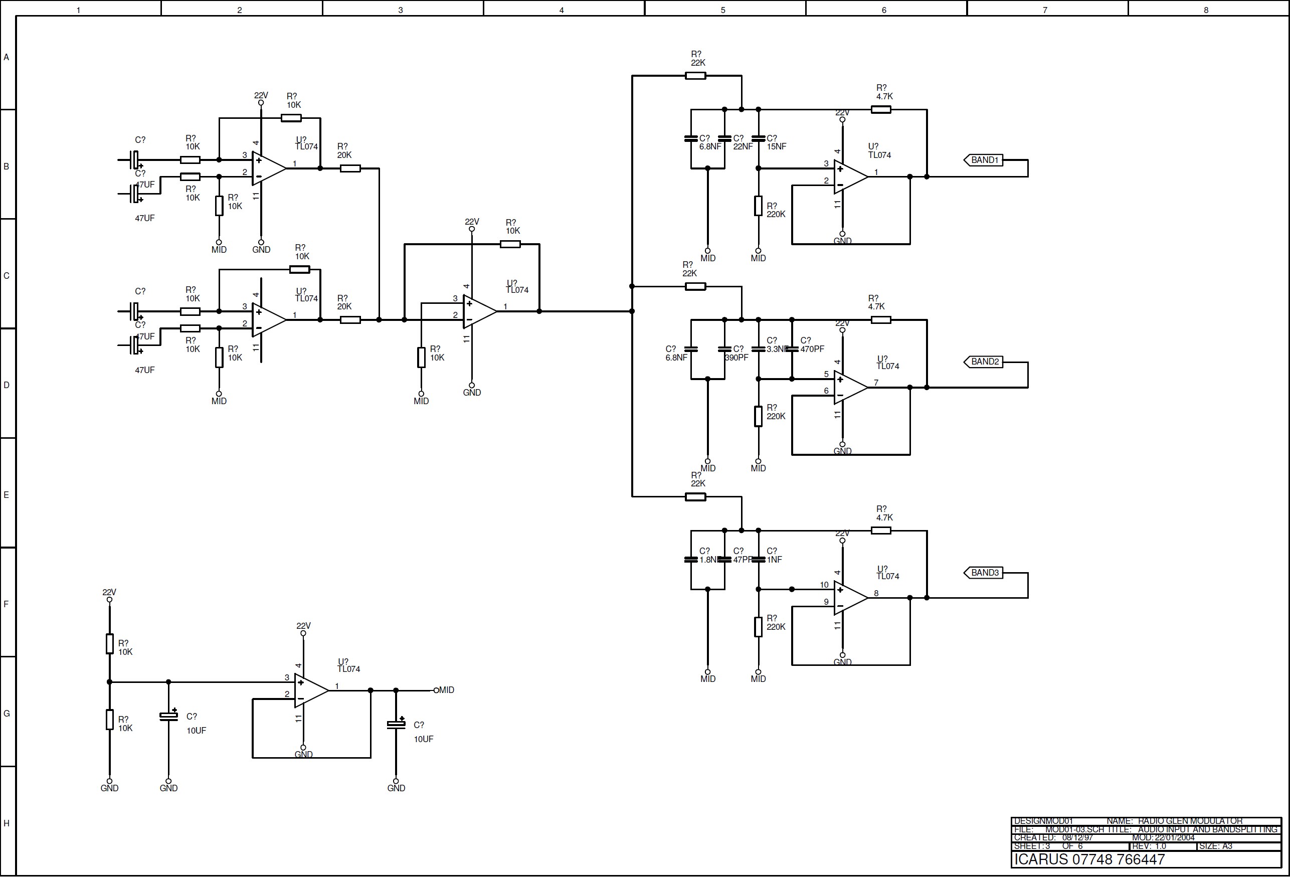
Gyrator Filters Band Splitter MOD01-03.SCH

This sheet shows the front end of the audio processing. Throughout
the audio sections, TL074s are used. Though far from being a
rocket science audio op-amp, it is widely available, cheap, and
intended for low-noise audio use. The differential left and right
stereo inputs are converted to single ended and then summed
together to form a mono signal. At the summing point there is also
a division of amplitude by two for each signal. So if a zero dB
tone is fed in phase to each input, a zero dB tone will result at
the output of the summing amplifier. Three gyrator based filter
stages follow. The Q of these stages is set such that the filters
are “two octave” filters, i.e. the centre frequency of each filter
is separated by two octaves and the outputs, if summed back
together would give a flat response. The design is lifted from a
Maplin graphic equaliser design, but a similar circuit is
described in the National Semiconductor op-amp data book. The
three filters separate the low, mid and high audio frequency bands
which go onto sheets MOD01-04.SCH and MOD01-05.SCH.
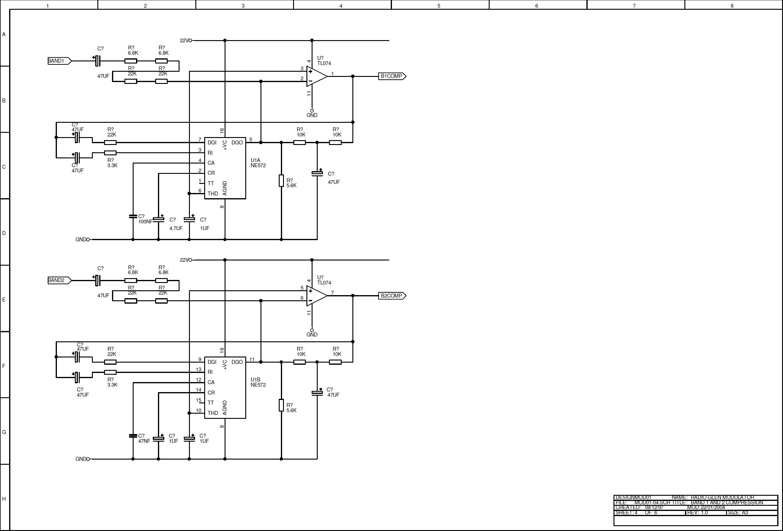
Split Band Compressors MOD01-04.SCH

Each of the low, mid and high sections are taken to nearly
identical compressor stages. The stages for the low and mid bands
are shown on MOD01-04.SCH. These are based around the inexpensive
Philips NE572 compandor. These devices have several advantages
over similar devices such as the technically superior SSM2120 from
Analog Devices.
1) They are a lot cheaper and more widely available.
2) They work from a single supply - the SSM2120 does not, without
going to extreme lengths.
3) The NE572 has independent attack and decay capacitors.
4) The NE572 does not have the pathological high frequency input
oscillation of the expensive Analogue Devices part.
The compressors are wired according to the Philips data book, with
the unity gain point being set at 0dB for this application. This
is more a matter of convenience for testing than function. The
compressors are wired in such a way that they inherently produce
2:1 compression, ie a 2dB increase in the input will produce only
a 1dB increase in the output. Producing ratios other than 2:1 1:2
or infinite (limiting/AGC behaviour) with the NE572 is difficult,
and so our compression ratio is conveniently chosen for us. The
attack capacitors are the smallest that can be used without
getting a significant loss of level detection performance. As
there are higher audio frequencies involved, the attack capacitors
on the higher frequency sections have lower values.
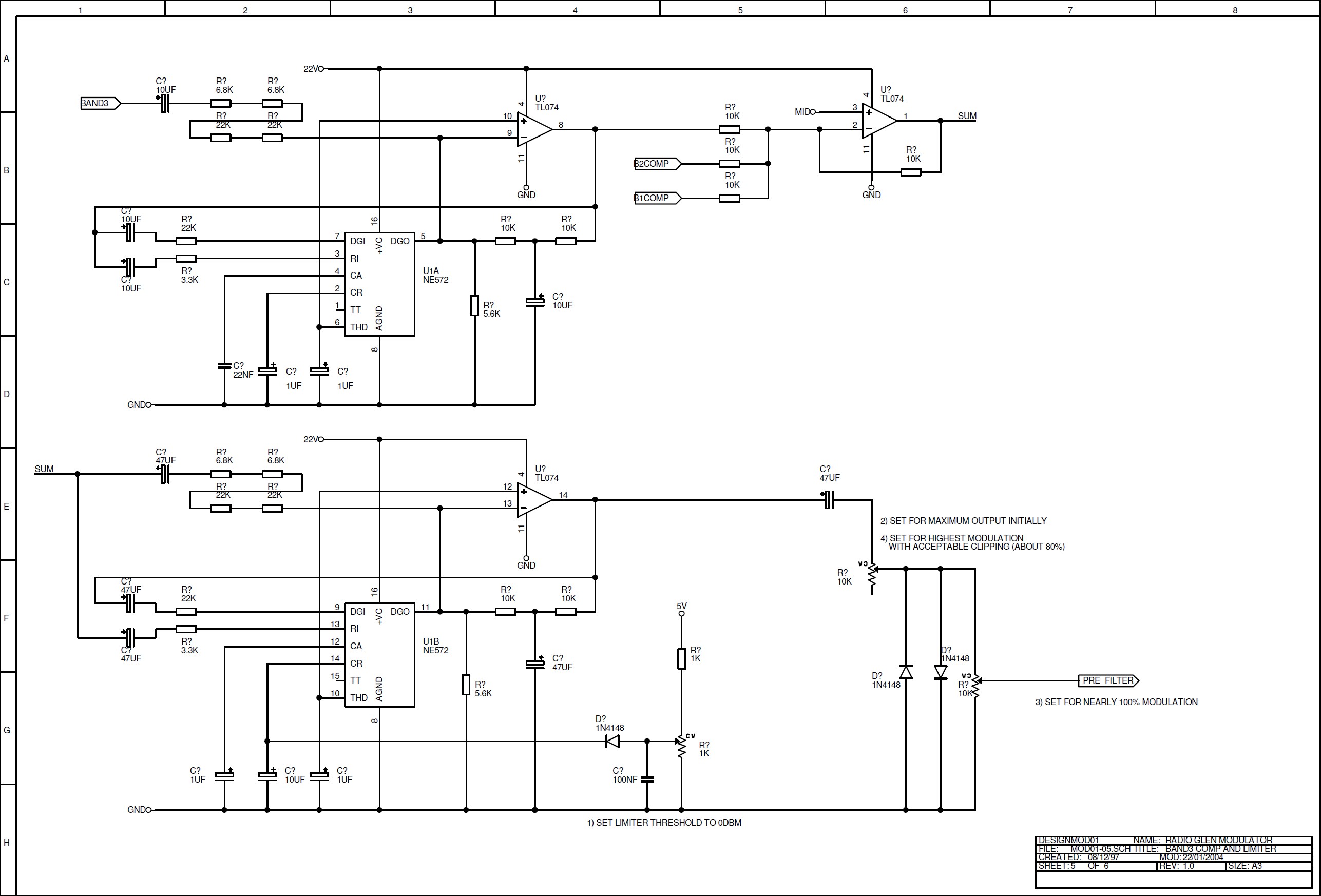
100% Modulation Limiter MOD01-05.SCH

The output of each compressor section is summed back together.
This output is fed into an active limiter stage consisting of the
remaining NE572 section. The threshold of the limiter, ie the
point at which no more increase in output is seen, is set to be
0dB nominally with the pot and diode arrangement fed from the 5V
rail. This may be a little sensitive to temperature and voltage
variations and may give a slightly soggy limiting point. In the
next design iteration an op-amp fed from the NE572 voltage
reference, and a diode drop temperature compensation scheme will
be adopted. This being said, the simple circuit works perfectly
well. The active limiter will bring down large signals to 0dB, but
there is a delay before it can do this, due to the attack
capacitor. Because of this a passive diode limiter is used after
the active limiter to avoid over modulation on transient audio
peaks. When setting up, the active limiter is put into limiting by
applying a +6dB audio signal to the inputs. The modulator drive
pot is adjusted for about 80% modulation. The diode limiter pot is
then adjusted such that the diode limiter is just starting to
operate at 80% modulation. This means that there is only transient
distortion of the signal by the diode limiter on speech peaks etc
and the modulation never exceeds 100%, despite the modulation
level being nearly 80% for much of the time during music. The
diode limiter is quite soft in operation, giving a pleasantly
progressive limiting action and producing minimal audible
distortion.
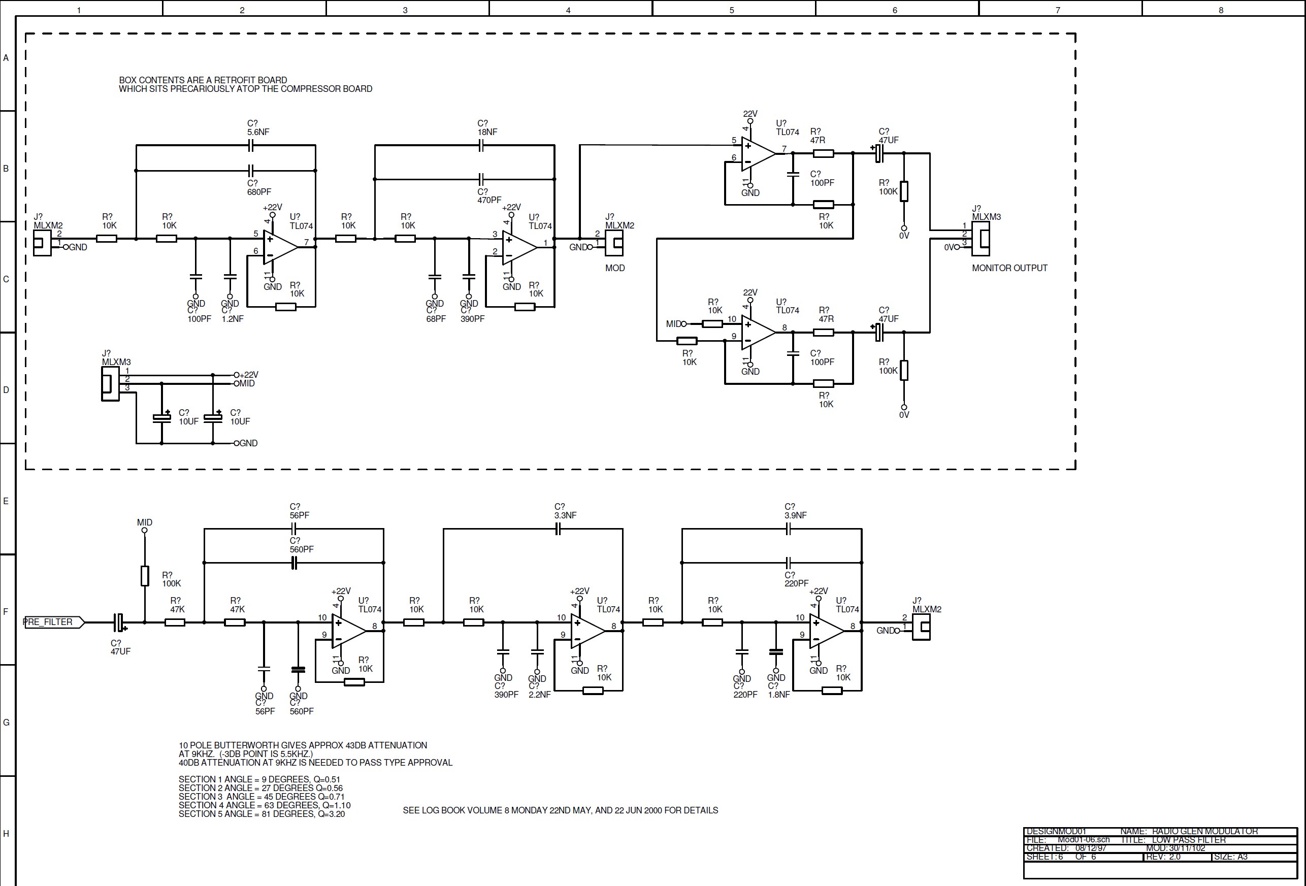
MW European Standard Low Pass Filter MOD01-06.SCH

The processed audio is finally low pass filtered prior to being
passed to the modulator. The filter is currently only six pole,
and if this was the only form of filtering it would only produce
half of the roll-off required at 9kHz. The Radio Authority
regulations on this point stipulate that the modulated signal
shall have at least -3db roll-off at 6.3 kHz and -40dB at 9kHz to
avoid interference to stations on adjacent channels. Some
additional filtering is actually provided in the RF tuned stages,
where the bandpass elements have the same effect as the low pass
elements in the audio stages, by reducing the level of the
sidebands most distant from the carrier frequency. As I have not
tested the output with a spectrum analyser yet, it may be
necessary to put in more audio filter sections here to fully
comply with the regulations. It is most unlikely that this system
is any worse than the transistorised LPF in the current
transmitter, especially as that has only an external active
limiting system.
Nov 2002: Extra poles were added when I changed the carrier
frequency output as mentioned previously.
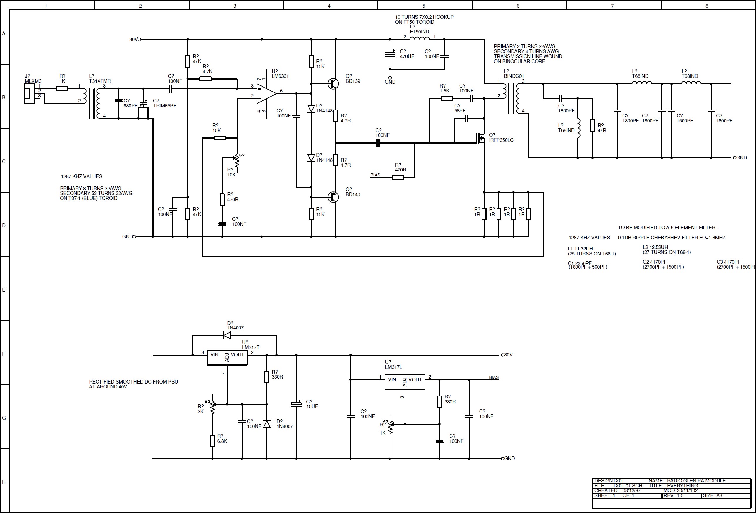
RF Power Amplifier Schematics
There is only one sheet for the PA.
Though the schematic closely follows the prototype, there may be a
component substitution occasionally. There are two identical
modules in one rack unit to feed the two distribution cables.
Circuit Description Remote MW RF Power Amplifier TX01-01.SCH

The input signal from the modulator unit, presumed to be at the
end of a long piece of coaxial cable enters the PA via an isolated
BNC socket. The cable must be terminated externally with a 50R
load. If the same cable is driving both PA sections, a T splitter
must be used to connect both inputs together. Note that due to the
relatively high input impedance of the PA inputs, one cable with a
50R terminator can easily drive both PA sections. The signal is
coupled into the input transformer with a 1K resistor, ensuring
that the input impedance will be >1K and mostly resistive. The
secondary of the transformer is tuned and couples into the op-amp
input. The 4K7 biasing resistor also damps the Q of this tuned
circuit, ensuring that the sidebands of the signal do not get
attenuated too much. The BD139/BD140 and op-amp combination is a
standard push-pull configuration which forms the PA driver. If
possible the base bias diodes should be glued to the transistors.
The signal from the driver is AC coupled to the gate of the PA
MOSFET. An LM317 is used to provide the gate bias for the MOSFET.
This should be initially set such that the PA current is about
100mA with no signal input; this is generally around 4V. The PA
bias can then be fine tuned by injecting an 80% modulated carrier
from the modulator and adjusting the bias for maximum PA linearity
when operating near full power. The 0.25R resistor in the source
of the MOSFET provides some DC negative feedback to stabilise the
bias point. The AC negative feedback components from drain to gate
provide extra PA stability and tend to damp VHF harmonics which
can be created when the PA is overdriven, or if the load is
accidentally disconnected. The 10R gate resistor is another
damping component to improve stability. The stability of the PA is
very good, even when no load or a short is present at the output.
The overdrive characteristic is very good too, with quite soft
clipping appearing under overdrive conditions, prior to the
current limit operating. The output from the PA MOSFET is matched
into the output filter with a 1:4 transmission line transformer.
The output filter is taken from standard filter tables and rolls
off rapidly above 2MHz. If possible, future designs will use the
next size up of toroid core for the filter inductors, so that
thicker wire can be used.
The PSU is entirely standard, except to note that it is possible
to set the voltage operating point of the PA such that the LM317T
is providing its maximum 1.5A just at the PA clipping point. In
this way, if the PA is driven beyond the clip point, more current
will be drawn and the LM317T will go into current limit shut down,
discouraging further advancement of the gain control. This is a
good way to provide the maximum possible peak output of the PA,
while making it difficult to abuse.
PA Isolation
The 1:4 output impedance transformer
and the input transformer electrically isolate the PA ground from
the cable grounds. This breaks the loop which can be created when
studio mains earth is connected to F-block mains earth and
possibly any other block's mains earth if the coax connectors
touch pipework in the attics. Hopefully this will reduce the
amount of hum experienced both in the studio and when listening to
the signal. I have experienced a situation where in certain
orientations an AM radio will produce a sound with a large hum
content, despite the transmitted signal appearing clean. Rotating
the radio will usually reduce it to a minimum, but the isolation
now provided should help eliminate this problem. PA internal
circuit ground is connected to mains earth and the PA chassis.
There is an important safety aspect here as well. In the F block
technical cupboard you have F block mains earth, possibly any
other block's mains earth on the transmitter cables and possibly
studio mains earth or even outside earth on the signal cable. As
these could all vary in potential by hundreds of volts, even
without a fault, (and believe me, they sometimes do!) you need to
take care when in the technical cupboard. For example, do not
grasp the chassis earth and the transmitter cable earth at the
same time unless you can help it. There is no easy way round this,
as we inevitably may get an outside earth connection on the
cables, and even this can be a potential hazard if it is led into
a building with the modern PME earth system. The best way is to
have all the mixed up earths where they are in the technical
cupboard, safely out of harm's way. At least the PA isolation will
stop the mile-wide ground current loops.
Other Operational And Safety
Issues
The user of the PA now has access to
10 Watts of RF power. It is essential that the far end of the
transmitter cables are terminated in 50R RF dummy loads capable of
dissipating the power that they receive. The loads must be
positioned or cased so that they are in absolutely no danger of
starting a fire. Such (supposedly 15 Watt) loads are available
from Maplin, but they do get quite warm and would need to be fixed
into a case with vents. A better solution would be to buy a higher
power load. The cable in general must now be kept in good order
all the time, to avoid the possibility of hot-spots or high RF
voltages appearing on the shield. When cable breaks occurred
previously, with 0.5Watts, the system just stopped working. There
is now safety to consider as well.
Do not be tempted to overdrive the PA. The absolute maximum peak
output is 100Vpp on modulation peaks. Remember that if you are
setting up the transmitter with a tone it will only be about 80%
modulated due to the active limiter, so you must leave room for
musical peaks. Though not terribly technical I would recommend
finally setting up the PA level, when installed, using music and
adjusting the front panel input attenuator control until musical
peaks just hit 80Vpp at the output, assuming that you desire
maximum power.
I don't recommend twiddling any of the pots in either modulator or
PA, even with the benefit of the information provided here. When
setting up, make sure that the internal phone system and other
radio services are free of the signal. Radio Glen has been known
to appear on the internal phone system under certain conditions.
Update And Mistakes
OK, so the idea of isolating the
inputs and outputs on the PA wasn't such a great idea after all.
In fact when you consider that the output transformers are only
really DC isolating, all my great arguments start to fall to the
ground somewhat. The PA was found to go a little bit unstable in
the real system, characterised most noticeably by the gain
controls not working terribly well. The PA is in use at the moment
with the BNC plugs connected to the chassis with a piece of wire
which cures the instability for the moment. The best course of
action is to use non-isolated sockets for both input and output,
to bridge the isolation gap between the inputs and outputs of the
output transformer, and to bridge the isolation gaps between the
bolts and the rest of the copper plane on the PA modules. This
ought to consolidate all grounds to chassis and the mains earth
connection.
So this will take F-block mains earth into the new technical
cupboard, where it will be isolated from earth there by the
isolated output of the modulator.
I did once mention that the old transmission system used to get
hum on it sometimes, which was not visible on the RF output. I
associated with big ground loops. Since this time I have
considered the possibility that some of this was caused by 100Hz
FM modulation of the AM signal which was clearly audible when
slightly off-tune but would not, indeed, be visible on an
oscilloscope trace.
Pictures
The Radio Glen PLL
Modulator Insides

Inside The Case With A Close Up Of
The PLL Board And Tin Box With The Oscillator Inside

Rear Panel Left And Right Audio
Inputs And 50 Ohm RF Output

I don't think that any pictures of the main dual 10 Watt
transmitter PA cable feeder exist any more. This suggests that it was in service in
the technical cupboard in F-block, fed from the original 1978
Radio Glen three-in-a-row Eddystone aluminium boxes situated
remotely in New Terraces before I bought a Kodak DC120 digital
camera in 1998. As is so often the case with
British equipment, when it became redundant I re-used the box and
the parts for something else.
Later Musings
More Power Igor
I've since used the original modulator electronics and box to try
to crowbar-in a decent power output stage. I made a 2 Watt one
which was completely reliable. When you try to head up towards 10
Watts, you need to get a bit better at RF power engineering. If
you want to know when the definition of "power" becomes relevant,
you need to buy the book by Steve C. Cripps called, "RF Power
Amplifiers For Wireless Communications," and read his
introduction.
|more Waffle
I may go into the various upgrades and downgrades that this device
has suffered at my hand later. For now, let's just say that with
RF PAs, there are no short cuts.
Henry's main email address
Navigate
Up
Recent Edit History
19-NOV-1997 draft created
16-JAN-1998 Released To Glen as Word document and printed copy
06-AUG 1998 unit working on location, adding a bit at the end
29-NOV-2002 web published with some edits to explain the
history
21-JAN-2026 major update, html incantations, bigger if old
pictures